Guangdong Ruisite Electric Co., LTD.
Guangdong Ruisite Electric Co., LTD.
Tuotteet
Vaakasuuntainen keraaminen vastus
  • Vaakasuuntainen keraaminen vastusVaakasuuntainen keraaminen vastus
  • Vaakasuuntainen keraaminen vastusVaakasuuntainen keraaminen vastus
  • Vaakasuuntainen keraaminen vastusVaakasuuntainen keraaminen vastus
  • Vaakasuuntainen keraaminen vastusVaakasuuntainen keraaminen vastus
  • Vaakasuuntainen keraaminen vastusVaakasuuntainen keraaminen vastus

Vaakasuuntainen keraaminen vastus

RST Electric esittelee Horizontal Ceramic Resistor -vastuksen – vankan, yleiskäyttöisen tehovastuksen, joka on suunniteltu erittäin luotettaviksi teollisuus- ja kuluttajasovelluksissa. Tämä vaakasuora keraaminen vastus, joka on koteloitu paloa hidastavaan keraamiseen koteloon, jossa on pystysuora (aksiaalinen) johtokokoonpano, tarjoaa erinomaisen lämmönpoiston, alhaisen melutason ja laajan käyttölämpötila-alueen. Sen teholuokitukset ovat 1–100 W ja vastusarvot 0,1–100 kΩ (langallinen) ja 100–100 kΩ (metallikalvo), joten se sopii sovelluksiin, kuten virtalähteisiin, moottorin ohjaimiin, kodinkoneisiin ja testauslaitteisiin. Saatavana ±1 %:n ja ±10 %:n toleransseilla tämä SQP-tehovastus täyttää tiukat suorituskykyvaatimukset, mukaan lukien juotettavuus, ylijännitteenkestävyys, lämpötilakerroin, tärinä ja kestävyystestit. 

Perussuunnittelu


RST Electricin Horizontal Ceramic Resistor edustaa klassista, erittäin monipuolista komponenttiperhettä, joka tasapainottaa tehonkäsittelyn, luotettavuuden ja kustannustehokkuuden. Tämä keraaminen tehovastus on koteloitu suorakaiteen muotoiseen keraamiseen koteloon, jossa on aksiaaliset johdot, ja se on suunniteltu asennettavaksi painetuille piirilevyille reiän läpi tai runkoon kiinnikkeillä. Kotelon materiaali – korkean lämpötilan, paloa hidastava keramiikka – tarjoaa erinomaisen lämmönjohtavuuden, sähköeristyksen ja mekaanisen suojan, jolloin vastus voi toimia jatkuvasti pintalämpötiloissa aina +200°C asti ilman hajoamista.


Sisäisten elementtien teknologiat ja rakenneominaisuudet


Sisäisesti SQP-sarja tarjoaa kaksi erillistä elementtitekniikkaa: lankarakenne sovelluksiin, jotka vaativat suurta pulssikykyä ja alhaisia ​​resistanssiarvoja (alle 0,1 Ω), ja metallikalvorakenteen sovelluksiin, jotka vaativat alhaisempaa melua ja korkeampia resistanssiarvoja (jopa 100 kΩ). Molemmat versiot on kapseloitu epäorgaanisella piidioksiditäyteaineella, mikä varmistaa lämmönsiirron tehokkuuden sekä kosteuden ja tärinän kestävyyden. Vaakasuuntainen (aksiaalinen) johdinkokoonpano yksinkertaistaa piirilevyn asettelua ja automaattista lisäystä, kun taas litteä suorakaiteen muotoinen muoto tarjoaa vakaan asennuksen ja selkeän merkinnän tunnistamisen helpottamiseksi.


Laadunvalvonta- ja valmistusasiantuntemus


Jokaiselle yksikölle tehdään tiukka laatutarkastus. Juotettavuustestaus varmistaa >90 % peiton alle 260±5°C:ssa 2 sekunnin ajan. Dielektrinen kestävyys tarkistetaan 500 VAC:lla 5 sekunnin ajan ilman vikaa. Lämpötilakerroin pidetään ≤ ±300 ppm/°C:ssa. Lämpötilajaksot -55°C - +200°C (3 jaksoa) vahvistaa mekaanisen eheyden, kun taas kestävyystestaus nimellisjännitteellä 1000 tunnin ajan varmistaa pitkän aikavälin vakauden. Ylikuormitustestaus 5× tai 10× nimellisteholla (riippuen elementtityypistä) varmistaa pulssikyvyn. Luotettuna vaakasuuntaisten keraamisten vastusten valmistajana Kiinassa RST Electric yhdistää yli 10 vuoden vastustekniikan asiantuntemuksen tarkkuusvalmistukseen toimittaakseen komponentteja, jotka täyttävät nykyaikaisen elektroniikan vaativat vaatimukset.


Tekniset tiedot


Malli

SQP (Horizontal Ceramic)

Nimellisteho

1W, 2W, 3W, 5W, 7W, 10W, 15W, 20W, 25W, 30W, 40W, 50W, 75W, 100W

Vastusalue (langallinen)

0,1Ω – 10kΩ (riippuen tehosta)

Vastusalue (metallikalvo)

100Ω – 100kΩ (riippuen tehosta)

Toleranssi

±1 % (F), ±2 % (G), ±5 % (J), ±10 % (K)

Lämpötilakerroin (TCR)

≤ ±300 ppm/°C

Suurin käyttöjännite

150V – 1000V (riippuen tehosta)

Suurin ylikuormitusjännite

500V – 1500V (riippuen tehosta)

Dielektrinen Kestävä jännite

500 VAC 5 sekunnin ajan

Eristysvastus

≥ 100MΩ @ 500V DC

Käyttölämpötila-alue

-55°C - +200°C

Asunnon materiaali

Paloa hidastavaa keramiikkaa

Kapselointi

Epäorgaaninen piidioksiditäyteaine

Irtisanominen

Tinattu kupari aksiaalijohdot

Lyijyn vahvuus

10N vetokoe, ei näkyviä vaurioita

Vaatimustenmukaisuus

RoHS, CE


Tuotteen ominaisuudet


1. Laaja tehoalue – 1 W - 100 W yhdessä sarjassa, joka kattaa erilaisia ​​sovelluksia pienistä signaalipiireistä suuritehoisiin kuormiin.

2.Dual Element Technology – Langallinen vaihtoehto alhaiselle resistanssille ja korkealle pulssikyvylle; metallikalvo vaihtoehto alhaiselle melulle ja korkealle vastukselle.

3. Paloa hidastava keraaminen kotelo – kapseloitu epäorgaaniseen piidioksiditäyteaineeseen keraamisessa kotelossa, mikä tarjoaa erinomaisen lämmönpoiston, sähköeristyksen ja mekaanisen suojan.

4.Korkean lämpötilan käyttö – Jatkuva käyttö +200°C pintalämpötilaan asti lineaarisella vähennyksellä turvallisen käytön takaamiseksi.

5. Tarkkuustoleranssit – Saatavilla ±1 % - ±10 % tiukoille piirivaatimuksille tai kustannusherkille malleille.

6. Vankka liittimen lujuus – 10 N:n vetotesti varmistaa luotettavan reiän läpiasennuksen ja juotosliitoksen eheyden.

7. Tiukka laadunvalvonta – juotettavuuden, dielektrisen lujuuden ja kestävyyden 100 % testaus varmistaa kentän luotettavuuden.

8. Matala TCR – ≤ ±300 ppm/°C takaa vakaat vastusarvot koko käyttölämpötila-alueella.

9. Erinomainen kosteudenkestävyys – Kostea lämpötestaus 40 °C:ssa / 95 % suhteellisessa kosteudessa 96 tunnin ajan vahvistaa suorituskyvyn kosteissa ympäristöissä.

10.Standardoitu muotokerroin – Tasaiset mitat teholuokkien välillä yksinkertaistavat piirilevyn asettelua ja automaattisen lisäyslaitteiden asennusta.


Tuotesovellukset


Teollisuus

Erityinen sovellus

Kuvaus

Virtalähteet

Kytkentävirtalähteet

AC-DC- ja DC-DC-muuntimien kuormitusvastukset, vaimennuspiirit ja ilmanpoistolaitteet.

Lineaariset virtalähteet

Ohjaa transistorit ja jännitteenjakajaverkot säännellyissä syötteissä.

Kodinkoneet

Ilmastointilaitteet

Virranrajoitus- ja puhaltimen nopeudensäätövastukset LVI-järjestelmissä.

Pyykinpesukoneet

Jarruvastukset moottorin ohjaukseen ja ylijännitesuojaan.

Mikroaaltouunit

Bleeder-vastukset suurjännitekondensaattoreille.

Teolliset ohjauslaitteet

Ohjelmoitavat logiikkaohjaimet

I/O-moduulien ylösveto-, alas- ja sarjavirtarajoitusvastukset .

Moottorin ajot

Dynaamiset jarruvastukset pienille servo- ja askelmoottoreille.

Testaus ja mittaus

Penkkivirtalähteet

Lähtökuormitusvastukset testausta ja kalibrointia varten.

Toimintogeneraattorit

Impedanssin sovitus - ja päätevastukset .

Kulutuselektroniikka

Televisiot ja näytöt

Snubber ja degaussing piirivastukset CRT ja virtalähde osissa.

Äänen vahvistimet

Emitterivastukset ja Zobel-verkot tehovahvistimissa.

Autojen elektroniikka

Valon säätimet

Virrantunnistuksen ja kuormituksen simulointi LED- ja hehkulamppuvalaistukseen.

Kehon ohjausmoduulit

Signaalin säätö - ja liitäntävastukset .

Tietoliikenne

Tukiaseman virtalähteet

Tehonjakeluyksiköiden kuormitusvastukset.

Verkkolaitteet

Päätevastukset siirtolinjoille



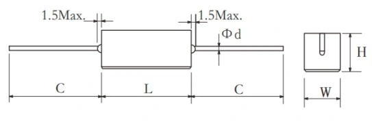
Piirustus ja mitat


Vertical Ceramic Wirewound Resistor

Vertical Ceramic Wirewound Resistor


Paketti ja lähetys


Vertical Ceramic Wirewound Resistor



RST Electric takaa jokaisen vaakasuuntaisen keraamisen vastuksen turvallisen toimituksen:

● Bulkkipakkaus: Vastukset pakataan antistaattisiin muovipusseihin ja sijoitetaan sitten aaltopahvipakkauksiin, joissa on vaahtovaimennus lyijyn taipumisen ja keraamisten vaurioiden estämiseksi.

● Lyijysuojaus: Johdot pidetään suorina ja suojataan päätytulpilla tai vaahtomuovinauhoilla.

● Dokumentaatio: Jokaisen lähetyksen mukana tulee pakkausluettelot ja tarkastustodistukset.

● Rahtivaihtoehdot: Pikakuriiri (DHL/FedEx/UPS) pienille määrille, lentorahti keskisuurille määrille, merirahti massatilauksille.

Kaikki yksiköt läpikäyvät 100 % sähkötestin ja silmämääräisen tarkastuksen ennen pakkaamista sen varmistamiseksi, että ne täyttävät määrätyt vastusarvot ja kosmeettiset standardit.



Hot Tags: Vaakasuora keraaminen vastus, valmistaja, toimittaja, tukkumyynti
Lähetä kysely
Yhteystiedot
Jos sinulla on kysyttävää tarjouksesta tai yhteistyöstä, ole hyvä ja lähetä sähköpostia tai käytä seuraavaa kyselylomaketta. Myyntiedustajamme ottaa sinuun yhteyttä 24 tunnin sisällä.
X
Käytämme evästeitä tarjotaksemme sinulle paremman selauskokemuksen, analysoidaksemme sivuston liikennettä ja mukauttaaksemme sisältöä. Käyttämällä tätä sivustoa hyväksyt evästeiden käytön. Tietosuojakäytäntö
Hylätä Hyväksyä